Wiring Diagram For Incubator Thermostat
Dry Contact Relay Wiring Dry Contact Thermostat Dry Contact
Stc Wiring Diagram Wiring Diagram Dash
Home A C Wiring Wiring Diagram 500
Thermostat Setup And Wiring For Incubator Part1
Doc Diagram St55 Wiring Diagram Ebook Schematic
Asli100 Incubator Controller Mesin Tetas Telur Xm 18 Thermostat Inkubator Xm18 Terbaru
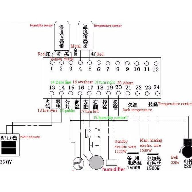
Stc 1000 Wiring Diagram For Incubator Wiring Diagram
Wafer Thermostat Wiring Diagram At Manuals Library
Incubator Thermostat Wiring Diagram Wiring Diagram
Wy Capillary Thermostat For Egg Incubator
Related Post
0 comments